SCIENCES DE
L'INGENIEURNiveau : Première générale, enseignement de spécialité SI

| Puissance | P = U x I | P : Watts (W) | U : volts (V) | I : Ampères (A) |
|---|---|---|---|---|
| Energie | E = P x t | E : Watts heures (Wh) ou E : Joules (J) | P : Watts (W) | t : heures (h) ou t : secondes (s) |
| Energie | E = U x Q | E : Watts heures (Wh) ou E : Joules (J) | U : volts (V) | Q : Ampères heures (Ah) ou Q : coulombs (C) |
| Capacité | Q = I x t | Q : Ampères heures (Ah) ou Q : coulombs (C) | I : Ampères (A) | t : heures (h) ou t : secondes (s) |
| Distance | d = v x t | d : distance (km) ou d : distance (m) | v : vitesse (km/h) ou v : vitesse (m/s) | t : heures (h) ou t : secondes (s) |
| En série : Augmente la tension | En parallèle : Augmente la capacité |
|---|---|
![]() | ![]() |
Un V.A.E. est un vélo a assistance électrique.
Selon la norme NF EN 15194 le vélo doit assister le cycliste jusqu’à une vitesse maximale de 25 km/h. Au-delà de cette vitesse, l’assistance doit se couper. Elle précise également que le moteur ne doit pas développer une puissance supérieure à 250W et que la batterie devra avoir une tension maximale de 48V.

Les batteries fournissent-elles une tension continue ou alternative ?
A partir d’Internet, rechercher les principaux types de batteries utilisées sur les V.A.E.
Indiquer le type de chaque batterie du tableau ci-dessous :
![]() Accu 12V 5Ah Poids : 1300g dim : 120x70x92 mm |
![]() Accu 3.6V 10 000 mAh Poids : 95g dim : 5.5x82x145 mm |
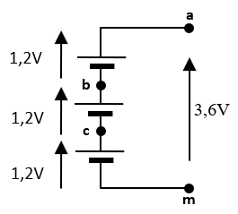
![]() Accu 1.2V 5 000 mAh Poids : 89g dim : 22x43 mm |
| Type | Tension (V) | Capacité (Ah) | Série | Parallèle | Nb cellules | Poids du pack (kg) | Volume Pack (L) |
|---|---|---|---|---|---|---|---|
| LiPo | |||||||
| Ni-MH | |||||||
| Gel |
Quel est le meilleur pack batterie pour un VAE, justifiez votre réponse :
Le modèle ci-dessous va permettre de déterminer l’autonomie du VAE par simulation
Complétez les étiquettes du modèle ci-dessus avec les éléments suivants : Frottements - Batterie - Masse vélo et cycliste - Moteur - Roue - Résistance de l’air.
Calculer la vitesse moyenne en km/h :
Calculer la puissance moyenne :
Calculer l’énergie en Wh que peut fournir la batterie :
Calculer l’autonomie théorique du V.A.E en heures :
A l’aide du voltmètre du compteur du vélo et en effectuant quelques tours de pédales jusqu’à obtenir une vitesse constante, relever la tension et l’intensité délivrée par la batterie.
Pour afficher la tension et le courant, appuyer sur le bouton de gauche du compteur du vélo.

U batterie = I batterie moyenne=
Plus tard, calculer la puissance et comparer-la à la puissance simulée, puis expliquer les écarts.
Dans le menu Virtual Reality, choisir l’itinéraire Vélodrome - Ruby Route (4) 1km.
Mettre le compteur du vélo à zéro en appuyant longuement le bouton de droite jusqu’au Reset.

Réaliser 4 tours de circuit du vélodrome, soit 1km. Utilisez l'assistance électrique en entretenant le pédalage en faisant le moins d'efforts musculaires possibles.
Démarrer l’entraînement puis compléter le tableau avec les relevés du compteur du vélo.
| Mesure | Vitesse moyenne | Temps | Energie en Wh | Calcul de l’autonomie en km |
|---|---|---|---|---|
| Compteur |
L’oscillogramme ci-dessous représente le courant fournit par la batterie sur un trajet en ville de 250m.

Relever le temps du parcourt :
Calculer la vitesse moyenne :
Relever le courant maximal délivré par la batterie :
Ce courant est électroniquement bridé afin limiter la puissance mécanique du moteur à 250W pour être conforme aux normes.
Le moteur transforme l'énergie électrique en une énergie mécanique avec un rendement de 70% : Pméca = 0,7 x Pbat, vérifier que le vélo est bien conforme à la norme NF EN 15194.
Calcul du courant moyen en décomposant le chronogramme avec des rectangles et des triangles

Calculer l’énergie en joules (E = U x I x t avec U=36V et t en secondes)
Calculer l’énergie Totale utilisée pour parcourir 0,25 km :
Calculer l’énergie en Joules que peut fournir notre batterie 36V, 10Ah :
Calculer le nombre de fois que je peux répéter ce cycle de 0,25 km :
En déduire l’autonomie en km :
Conclure en tenant compte du diagramme des exigences, des simulations et des mesures.
Pascal Hassenforder 04/09/2021
Mise à jour du 05/12/2023