SCIENCES DE
L'INGENIEURNiveau : Première générale, enseignement de spécialité SI
Le nombre des accidents du travail d’origine électrique n'a cessé de reculer grâce à une plus large maîtrise du risque, la formation et l'habilitation des salariés.
LORS DES MANIPULATIONS DANS LE LABORATOIRE IL FAUDRA IMPÉRATIVEMENT RESPECTER LES CONSIGNES DE SÉCURITÉ
La tension (aussi appelée différence de potentiel) est exprimée en Volts (V).
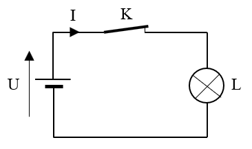
Le courant électrique correspond au déplacement des électrons à l'intérieur d'un conducteur. Le sens conventionnel du courant est orienté du pôle positif au pôle négatif (en réalité les électrons se déplacent dans le sens invese).
On observe sur l'image ci-dessus environ 2 électrons par seconde. Un électron possède une charge électrique e = 1,6 × 10−19 Coulomb, soit 3.2 x 10−19 C/s (ou Ampère)
Le circuit électrique doit être fermé pour qu'un courant électrique puisse circuler.
On peut comparer un circuit électrique à un circuit hydraulique :
Remarques :
Un circuit électrique est généralement
composé : 
- d'un générateur :
- d'un récepteur :
- de conducteurs :
- d'un circuit de coupure :
Généralement délivré par les piles, batteries et alimentations de laboratoire, l'allure du signal en fonction du temps est représentée ci-dessous

Lorsqu'une pile ou batterie alimente un circuit, Un courant I (en ampère) va circuler et la tension à ses bornes va baisser. Elle se décharge plus ou moins vite en selon sa capacité en Ah (Ampère-heure) ou sa technologie.
Courbes de décharge de piles bâtons de 1.5V

La pile possède deux bornes : et .
Le courant alternatif est généralement délivré par les prises électriques dans les habitations. Les trois bornes s’appellent , et . La tension délivrée est d'environ 230V efficace.
L'allure du signal est celui de la courbe 1 représenté ci-dessous :

Tous les signaux représentés ci-dessus sont périodiques, ils sont caractérisés par leur tension maximale Vmax et par leur période T.
L'alternance entre positive et négative se reproduit toutes les 20ms pour le courant délivré par la prise secteur : c'est la période T en seconde.
A partir de cette période T, on peut calculer la fréquence F en Hertz (Hz), en utilisant la relation :
$F=1/T$
F = 50 Hz
Sur une installation monophasée domestique le fournisseur d’électricité raccorde le neutre à la terre.
Toutes les masses métalliques : lave-linge, lave-vaisselle, Ordinateurs, etc... doivent être reliées à la terre.
| Tension | Courant | Résistance | ||||
| 109 | GV | Gigavolt | GA | Gigaampère | GΩ | Gigaohm |
| 106 | MV | mégavolt | MA | Mégaampère | MΩ | Mégaohm |
| 103 | kV | kilovolt | kA | kiloampère | kΩ | kiloohm |
| 100 | V | Volt | A | Ampère | Ω | Ohm |
| 10-3 | mV | millivolt | mA | milliampère | mΩ | milliohm |
| 10-6 | µV | microvolt | µA | microampère | µΩ | microohm |
| 10-9 | nV | nanovolt | nA | nanoampère | nΩ | nanoohm |
Convertir les valeurs suivantes
0.0091 A = mA
5,6·106 Ω = MΩ
400·103 V = kV
0.00043 mA = µA
4,7·103 Ω = kΩ
0,15·106 Ω = kΩ
20000 V = kV
1.2·109 Ω = GΩ
125·10-9 A = nA
Jouez au jeu des puissances de 10
Utilisation de la calculatrice :

4567 ≈ 4.57E3 donc 4.57 k
Le résultat sera affiché sous le forme de puissances de 10 par multiple de 3
Mode ingénieur pour les calculatrices TI

Touche "mode", puis ING, flottant correspond aux nombre de chiffres significatifs.
Effectuer les calculs suivants avec votre calculatrice ou la numworks en ligne :
Rappel :
$F=1/T$
$F= 1/(250*10^(?))$ $F = ? Hz$
$F= 1/(40*10^(?))$ $F = ? Hz$

Exemple 1 :
La résistance du corps humain R = 3 kΩ lorsqu'il est soumis à
une tension U = 230 V (peau sèche).
Calculer l'intensité I du courant qui traversera le corps
$I= $

D'après le document ci-dessus, quel sera l'effet du passage de ce courant dans le corps humain ?
Exemple 2 :
Le professeur vous fournit un microcontrôleur alimenté sous 5V. Il vous demande d'y brancher des capteurs alimentés sous 5V également. Vous êtes stressés car l'ensemble est sous tension et vous suez à grosses gouttes car vous vous sentez en danger. Vous avez la peau moite et la résistance de vos mains est de 5 kΩ. Avec vos doigts vous fermer le circuit entre le potentiel 5V et 0V. Calculer le courant qui traverse vos doigts et indiquer ce que vous risquez.
$I= $
Risque :
N'aurait-il
pas mieux valu réaliser tous les câblages électriques hors
tension et d'alimenter le système qu'une fois avoir tout
branché correctement ou après l'avoir fait vérifier par le
professeur ? je vous le
demande ...
La
tension maximale de sécurité, pour manipuler sans danger en
milieu sec (laboratoire), doit être inférieure à 50 Volts.
On donne la courbe représentant la résistance du corps humain en fonction de la tension de contact et de l'état de la peau

Une personne ayant la peau sèche est soumise accidentellement à une tension de 50 V.
$I=?$
Une personne ayant la peau humide est soumise accidentellement à une tension de 250 V.
$I=?$
Pascal Hassenforder 30/08/2021
MAJ le 04/11/2025